87085 . 08
1969-1971. Structures révélées par des travaux.
Habitation.
- Monnaies : Hadrien, Elagabal et six imitations de Tetricus.
Musée municipal de l'Evêché à Limoges.
H. tot. : 38 mm. D. max. : 170 mm. D. base : 150 mm. D. ouv. : 156 mm.
- Forme rencontrée à Cabasse (Var) au III
e s. (BERARD, 1961, pl. 1, n° 1).
- Elle existe aussi dans le Nord au II
e siècle (TUFFREAU-LIBRE, 1980, fig. 6, n° 1, Type 1a).
- On la trouve également à Niederbieder (All.) fin II
e et première moitié III
e (GOSE, 1950, forme 248).
- Cette forme a été reprise en sigillée claire africaine dans la seconde moitié du II
e et
la première moitié du III
e s. (HAYES, 1972, fig. 35, forme 181).
87085. 08 - 02
Assiette aux parois divergentes convexes ; lèvre ronde ; base annulaire, assise tournée ; céramique tournée,
pâte de couleur jaunâtre, rouge brique en surface ;
inclusions fines : quartz régulier en proportion moyenne, mica ; surface avec couverte rouge.
Zone guillochée sur le fond interne.
H. tot. : 45 mm. D. max. : 220 mm. D. base : 160 mm. D. ouv. : 210 mm.
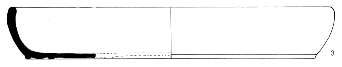
87085. 08 - 03
Plat aux parois divergentes convexes ; lèvre ronde ; base annulaire, assise tournée ;
céramique tournée, pâte de couleur orangée, rouge brique en surface ;
inclusions fines : quartz régulier en proportion moyenne, mica ; surface avec couverte rouge.
Zones guillochées sur le fond interne.
H. tot. : 60 mm. D. max. : 380 mm. D. base : 338 mm. D. ouv. : 360 mm.